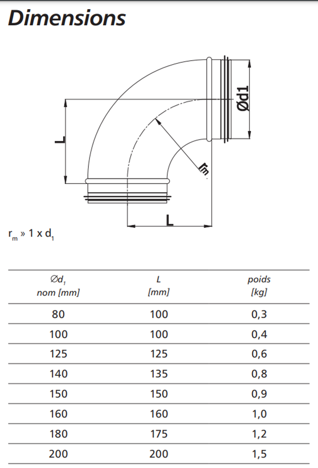
Coude 90 160

Avec joint
Disponibilités dans les magasins:
Alleur: 358 en stock
Zaventem: 256 en stock
SKU: 4647
    13,95€ HTVA
    Enregistrez-vous pour passer commande
    Les clients ayant acheté cet article ont également acheté :

    Coude 90 125

    Avec joint
    7,68€ HTVA

    Collier caoutchouc 125

    Haute qualité
    2,13€ HTVA

    Collier caoutchouc 160

    Haute qualité
    2,94€ HTVA

    Manchon 125 M/M

    Avec joint
    3,52€ HTVA

    Longueur galva 125 - 3m

    Produit en Belgique - Prix par longueur de 3 mètres
    22,10€ HTVA

    Longueur galva 160 - 3m

    Produit en Belgique - Prix par longueur de 3 mètres
    29,40€ HTVA

    Commander par téléphone
    Appelez-nous : +32 (0)4 239 71 98

    Livraison gratuite
    Pour toute commande de plus de 400€

    Livraison rapide
    24 à 72h pour la Belgique